아날로그 회로를 이용한 저전력 AI 프로세서 설계
/
사람의 뇌 활동과 유사한 3세대 신경망인 SNN(Spiking Neural Network)Matlab Simulink를 통해 SNN 알고리즘을 검증하였으며, 해당 시스템을 회로 및 칩으로 구현하는 연구를 진행중

Spiking Neural Network


SNN 구현 
Spiking Neural Network 기반의 인공지능 프로세서 구현을 위하여 Matlab을 활용하여 알고리즘을 검증하였으며, neuronSynapse를 결합한 SNN 칩의 Schmetic을 설계함


Matlab 알고리즘 검증 

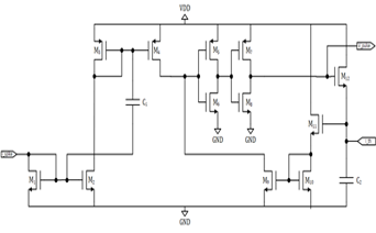
3x3 SNN schmetic

lSpiking Neural Network 기반의 인공지능 Matlab 알고리즘 제작 및 구현
블록도 및 파형 구현

 

 

 

 

 

 

 

 

 

 Pre - Neuron 블록도 및 파형

 Synapse 블록도 및 STDP 파형

 Post-neuron블록도 및 파형

Matlab 알고리즘 검증 

3x3 SNN schmetic

  

 

  

  

 Neuron 회로도 및 Layout

 Synapse 회로도 및 Layout


lSpiking Neural Network 기반의 인공지능 Processor 구현

 

 

 STDP 학습 및 구현 결과

 3x3 SNN chip (2.8mm x 2.5mm)

 STDP(Spike Timing Dependent Plasticity) 학습을 구현하였으며, 3x3 SNN chip 실물로 구현한 결과임